Контактор ETI CEM12.01-230V-50/60Hz (4643113)



Характеристики Контактор ETI CEM12.01-230V-50/60Hz (4643113)
Описание Контактор ETI CEM12.01-230V-50/60Hz (4643113)
Электромагнитный контактор ETI CEM12.01-230V-50/60Hz (4643113) используется для вкл/выкл силовых нагрузок до 12 А в трехфазных и однофазных сетях. Катушка работает от напряжения 230 В и дает возможность удаленного управления двигателями, насосами, системами освещения и отопления. Для автоматизации коммутации нагрузок в промышленных и бытовых сетях, стоит купить контактор ETI CEM12.01-230V-50/60Hz (4643113).
Описание контактора ETI CEM12.01-230V-50/60Hz (4643113)
Высокая надежность изоляции пластикового корпуса, исключает засорение полости и не преднамеренный контакт человека с проводниками тока. Цена контактора ETI CEM12.01-230V-50/60Hz (4643113) пропорциональна таким характеристикам:
- вспомогательный нормально замкнутый контакт дает возможность использования в схемах сигнализации и блокировки без установки дополнительных модулей;
- долговечная работа обусловлена высоким качеством сборки и длительным электрическим ресурсом;
- универсальные клеммы гарантируют надежность подключения кабеля разного сечения.
Для консультации с нашими экспертами, вы можете посетить представительства в Киеве и Львове или оформить заявку на обратный звонок. Заказать товар, можно заполнив онлайн заявку или обратившись на горячую линию ВЕНКОН.
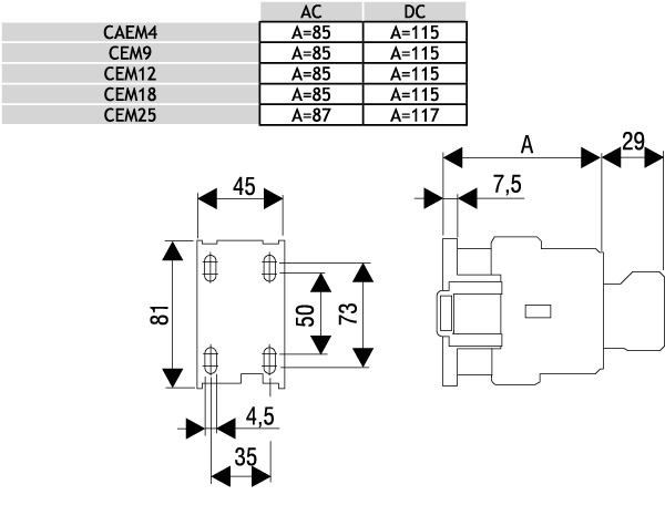
Особенности монтажа контактора ETI CEM12.01-230V-50/60Hz (4643113)
Компактный размер и малый вес модели за 1 837 грн упрощают фиксацию на DIN-рейку стандартной щитовой. Заводская маркировка на корпусе исключает перепутывание мест фиксации фаз и нуля.
Продажа контактора ETI CEM12.01-230V-50/60Hz (4643113) осуществляется с гарантийным чеком и техпаспортом. Каждый покупатель, может забрать модель от ETI самостоятельно или заказать доставку.














